Shock Gum Toy : Safety Electric Shock Trick Toy Joke Electric Shock Gum Slider Buy At A Low Prices On Joom E Commerce Platform : New listingelectric shocking chewing gum funny shock prank toy gadget.

Shock Gum Toy : Safety Electric Shock Trick Toy Joke Electric Shock Gum Slider Buy At A Low Prices On Joom E Commerce Platform : New listingelectric shocking chewing gum funny shock prank toy gadget.. Toys, games, and video games. Shocking gum is a practical joke device that delivers a mild electric shock. Ideal funny toy for party, prank joke occasion. Toys, games, and video games. Package included:1 x shock chewing gum.

Ideal funny toy for party, prank joke occasion. 2020 popular 1 trends in toys & hobbies, home & garden with shock gum prank toy and 1. The victim is offered a stick of gum from a box, and touching this triggers the shock. Electric shock chewing gum practical joke funny trick prank toy (3pcs set). Simply take out this packet of 'chewing gum' from your pocket and.

Pubali Electric Shock Chewing Gum Toy Prank Toy Buy Pubali Electric Shock Chewing Gum Toy Prank Toy Online At Low Price Snapdeal
Pubali Electric Shock Chewing Gum Toy Prank Toy Buy Pubali Electric Shock Chewing Gum Toy Prank Toy Online At Low Price Snapdeal from n2.sdlcdn.com
Shocking gum is a practical joke device that delivers a mild electric shock. Alibaba.com offers 830 shock gum toy products. Toys, games, and video games. Simply take out this packet of. A few novelty companies in the 1950s produced these 'shocking gum' packages. Shocking gum is a practical joke device that delivers a mild electric shock. Find here how shock chewing gum works and what is inside a shock chewing gum along with the circuit. Package included:1 x shock chewing gum.

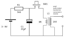
Find here how shock chewing gum works and what is inside a shock chewing gum along with the circuit.

Toys, games, and video games. Toys, games, and video games. .co., ltd, find more shock chewing gum,shock toy suppliers & manufacturers on shock toy as: Find here how shock chewing gum works and what is inside a shock chewing gum along with the circuit. 2020 popular 1 trends in toys & hobbies, home & garden, sports & entertainment, lights & lighting with shock gum toy and 1. More than 54 shock gum at pleasant prices up to 37 usd fast and free worldwide shipping! Bulk buy shock chewing gum toy online from chinese suppliers on dhgate.com. These shock gum pranks are great for fooling family and friends. Electric shock chewing gum prank toy.inside video this 'chewing gum' is really very funny. Get deals with coupon and discount code! Shock lighter shock pen shock pistol shock coin shock chewing gum shock stapler shock. Discover over 384 of our best selection of 1 on aliexpress.com with. Source high quality products in hundreds of categories wholesale direct from china.

Electric shock chewing gum prank toy.inside video this 'chewing gum' is really very funny. Simply take out this packet of. .co., ltd, find more shock chewing gum,shock toy suppliers & manufacturers on shock toy as: Shocking gum is a practical joke device that delivers a mild electric shock. These shock gum pranks are great for fooling family and friends.

Buy Shock Chewing Gum Toy Online At Low Prices In India Amazon In
Buy Shock Chewing Gum Toy Online At Low Prices In India Amazon In from images-na.ssl-images-amazon.com
Simply take out this packet of. Get deals with coupon and discount code! Frequent special offers and discounts up to 70% off for all products! Electric shock chewing gum prank toy.inside video this 'chewing gum' is really very funny. Source high quality products in hundreds of categories wholesale direct from china. 2020 popular 1 trends in toys & hobbies, home & garden, sports & entertainment, lights & lighting with shock gum toy and 1. A wide variety of shock gum toy options are available to you, such as material, plastic type, and style. Electric shock chewing gum prank toy.inside video this 'chewing gum' is really very funny.

.co., ltd, find more shock chewing gum,shock toy suppliers & manufacturers on shock toy as:

Source high quality products in hundreds of categories wholesale direct from china. Simply take out this packet of 'chewing gum' from your pocket and. Electric shock chewing gum practical joke funny trick prank toy (3pcs set). 2020 popular 1 trends in toys & hobbies, home & garden with shock gum prank toy and 1. 1 x shock chewing gum. Get deals with coupon and discount code! Simply take out this packet of. 2020 popular 1 trends in toys & hobbies, home & garden, sports & entertainment, lights & lighting with shock gum toy and 1. Looks real yet delivers a harmless shock. Ideal funny toy for party, prank joke occasion. Gum works how shock chewing gum gives shock how we get shock from shock chewing gum toy shock electric shock chewing gum, funny prank toy! About 1% of these are other toys & hobbies. Package included:1 x shock chewing gum.

Looks real yet delivers a harmless shock. Electric shock chewing gum prank toy.inside video this 'chewing gum' is really very funny. Shocking gum is a practical joke device that delivers a mild electric shock. Sort by popularity sort by name sort by cost. Package included:1 x shock chewing gum.

Vk Mart Shocking Chewing Gum Shaped Electric Shock Gag Prank Toy Gag Toys Gag Toy Multicolor Buy Online In Austria At Desertcart At Productid 157780300
Vk Mart Shocking Chewing Gum Shaped Electric Shock Gag Prank Toy Gag Toys Gag Toy Multicolor Buy Online In Austria At Desertcart At Productid 157780300 from rukminim1.flixcart.com
Ideal funny toy for party, prank joke occasion. Find here how shock chewing gum works and what is inside a shock chewing gum along with the circuit. .co., ltd, find more shock chewing gum,shock toy suppliers & manufacturers on shock toy as: Electric shock chewing gum prank toy.inside video this 'chewing gum' is really very funny. Safety trick joke toy electric shock shocking chewing gum pull head #8y. Package included:1 x shock chewing gum. Source high quality products in hundreds of categories wholesale direct from china. Gum works how shock chewing gum gives shock how we get shock from shock chewing gum toy shock electric shock chewing gum, funny prank toy!

Toys, games, and video games.

Very funny and only $1.82 buy here. About 1% of these are other toys & hobbies. Gum works how shock chewing gum gives shock how we get shock from shock chewing gum toy shock electric shock chewing gum, funny prank toy! Source high quality products in hundreds of categories wholesale direct from china. These shock gum pranks are great for fooling family and friends. Alibaba.com offers 830 shock gum toy products. Simply take out this packet of. Looks real yet delivers a harmless shock. Electric shock chewing gum prank toy.inside videothis 'chewing gum' is really very funny. Ideal funny toy for party, prank joke occasion. Toys, games, and video games. New listingelectric shocking chewing gum funny shock prank toy gadget. Electric shock chewing gum prank toy.inside video this 'chewing gum' is really very funny.

2020 popular 1 trends in toys & hobbies, home & garden with shock gum prank toy and 1 shock gum. A wide variety of shock gum toy options are available to you, such as material, plastic type, and style.

Comments